D1 Mini ohne USB-Kabel betreiben - Versorgung durch Netzteil, Batterie & Co.
- Pascal
- 1 Kommentar
- 4.196 Mal gelesen
Inhaltsverzeichnis [Verbergen]
D1 Mini - Das Entwicklerboard
Wie die Bezeichnung Entwicklerboard schon sagt, nutzt man ein solches Board eigentlich für Zwecke der Entwicklung.
Durch die einfache Programmierung und Anwendung finden sich aber längst sehr viel mehr D1 Mini Entwicklerboards in Projekten die bereits abgeschlossen sind. Dabei bleibt ein Punkt meistens unverändert: Der ESP8266 D1 Mini wird über die USB-Schnittstelle betrieben. Dagegen spricht auch erstmal nichts. Zumindest nicht, solange der D1 Mini standalone betrieben wird.
Anwendungen
Spätestens wenn man mehrere fest verbaute Komponenten höherer Spannung in einem Projekt betreibt macht es Sinn, auch den D1 Mini mit der gleichen externen Quelle zu versorgen. Wir haben dadurch nicht nur einen gemeinsamen physikalischen Ursprung des Stromes, sondern können dadurch auch getrost auf das USB-Kabel verzichten - und das bringt uns nicht nur einen optischen Mehrwert.
Durch ein selbstgebautes Screw-Terminal zum Beispiel können wir den ESP8266 D1 Mini nicht nur Plug- & Play in unser Projekt integrieren und entfernen, sondern auch kinderleicht mit Strom versorgen.
Betriebsspannung
Die Betriebsspannung des D1 Mini beträgt laut Datenblatt 1.7 V - 3.6V.
Manche Module, wie z.B Relaismodule, benötigen jedoch 5V für den Betrieb - das geschieht über das USB Kabel. Über das USB-Kabel werden 5V in das Board eingespeist, welche dann durch einen ME6211 wieder auf 3.3V runtergeregelt werden um den ESP8266 D1 Mini zu versorgen.
Im Klartext bedeutet das: Egal ob mit oder ohne USB-Kabel. Unsere Eingangsspannung von 5V sollte bestehen bleiben, um einen reibungslosen Betrieb aller Module zu gewährleisten.
Verdrahtung
Schaltplan
Um mit einem kurzen Beispiel zu zeigen wie einfach es ist einen ESP8266 D1 Mini ohne USB-Kabel zu betreiben, gibt es hier den Schaltplan, und zwar ganz simple mit einer 5V (4.8V) Stromquelle.
Variante mit 5V Quelle
ESP8266 D1 Mini 4.8V Stromversorgung.
Sobald wir den Plus-Pol unserer Quelle auf 5V legen und den Minus-Pol auf G, fängt unser ESP8266 D1 Mini an, das gespeicherte Programm auszuführen.
Die Versorgung muss natürlich nicht zwangsweise von einem 4er-Pack AAA Batterien kommen, sondern kann auch von einer Quelle mit einer höheren Spannung als 5V kommen, dann muss die Spannung vorher aber auf 5V runtergeregelt werden.
Zum Beispiel mit einem Step-Down-Converter.
Variante mit 9V Quelle oder höher
Weitere Informationen zur Anwendung
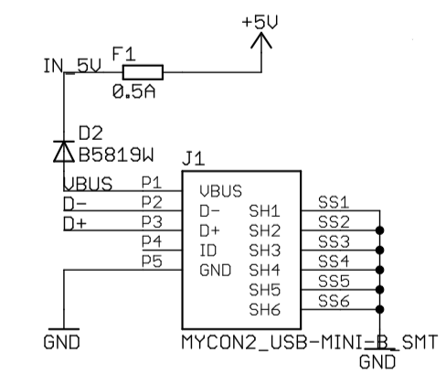
ESP8266: Schaltplan USB-Schnittstelle
Wenn wir einen Blick in den Schaltplan des D1 Minis werfen, sehen wir, dass die 5V-Leitung vom USB-Kabel direkt mit dem 5V Pin verbunden ist. Dazwischen sitzen jedoch eine Diode (B5819W) sowie eine 0.5A Sicherung F1. Wenn ihr euch für die Versorgung ohne USB-Kabel entscheidet hat die Sicherung sowie die Diode keine Funktion mehr, da sie umgangen werden.
Trennt die externe Quelle immer, wenn ihr den ESP8266 D1 Mini programmieren wollt.
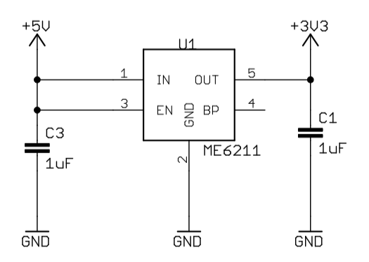
ESP8266: ME6211 Step-Down-Modul
Wie bereits erwähnt, werden die 5V der Eingangsspannung von einem ME6211-Modul auf 3.3V runtergeregelt. Die geregelte Spannung Modul ist für die Versorgung des ESP-Chips zuständig. Auch wenn die Operating Vortage Range des Moduls mit 2V - 6V angegeben ist, rate ich euch bei den 5V zu bleiben.
Abschluss
Abschließend lässt sich also sagen: Der Betrieb ohne USB-Kabel kann einfacher sein als man denkt.
Mit einem passendem selbstgebauten Shield, lässt sich der D1 Mini dann ohne Probleme auch ohne USB-Kabel betreiben und somit in vielen Projekten smarter einsetzen.
-
-
-
-
-
Anmelden oder registrieren und präsentiere dein eigenes Projekt!
-
Über den Autor
Willy Wonka sagen Sie...? 🧐
Kommentare 1
Gauweiler42
Gut zu wissen! Dann können die Outdoor Projekte ja starten